Productos

VER TODAS

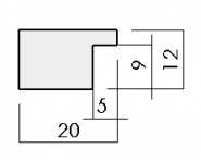
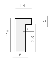
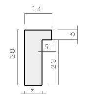
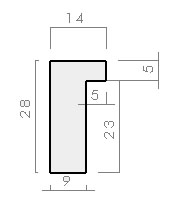
Molduras para Marcos

.

Molduras para Marcos
Lista 61 Productos em Lamina de Madera Finalizar Presupuesto
Carregando CARGA...