Inicio
none
Quiénes Somos
La empresa
Sustentabilidad
Trabaja Con Nosotros
Ubicación
Productos
Molduras para Marcos
Paneles / Blanks / Boards.
Marcos para Construcción
Biomassa / Briqueta
Presupuestos
none
Sustentabilidad
none
Contáctenos
Contacto
Ubicación
Representantes
Trabaja Con Nosotros
ELIJA SU IDIOMA
English
Español
Português
English
Español
Português
ELIJA SU IDIOMA
Centro de
Atendimiento
+55 (48) 3651-1500
vendas2@sulamericamolduras.com.br
SERVICIO EN LÍNEA
Inicio
none
Quiénes Somos
Aprender un poco más de la historia de
nuestra empresa
La empresa
Sustentabilidad
Trabaja Con Nosotros
Ubicación
Productos
Elija una categoría para
ver todos los productos
VER TODAS
Molduras para Marcos
Paneles / Blanks / Boards.
Marcos para Construcción
Biomassa / Briqueta
Presupuestos
none
Sustentabilidad
none
Contáctenos
Utilice uno de nuestros canales de comunicación.
Le responderemos tan pronto como sea posible
+55 (48) 3651-1500
vendas2@sulamericamolduras.com.br
Contacto
Ubicación
Representantes
Trabaja Con Nosotros
Menú
Molduras para Marcos
VER TODAS
Hot Stamping
/ Laqueadas
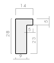
Código
00832601
Solicitud de Presupuesto
Dibujo Fuera de Escala.
Vision del Marco
Solicitud de Presupuesto